直线导轨由C型导轨,滑块和滚珠保持架组成。带有一个或多个滑块在球笼内移动,该系列具有PUSH PULL产品中最高的负载能力
性能参数
Type | Slider | ||||||||
Sizes | Load capacity and moments | ||||||||
S [mm] | a [mm] | b [mm] | Number of holes | С0rad [N] | С0ax [N] | Mx [Nm] | My [Nm] | Mz [Nm] | |
LB22 | 40 | 10 | 20 | 2 | 1 320 | 924 | 4,4 | 6 | 9 |
60 | 3 | 1 980 | 1 386 | 6,7 | 14 | 20 | |||
80 | 4 | 2 640 | 1 848 | 8,9 | 25 | 35 | |||
130 | 25 | 80 | 2 | 4 290 | 3 003 | 14,4 | 65 | 93 | |
210 | 3 | 6 930 | 4 851 | 23,3 | 170 | 243 | |||
290 | 4 | 9 570 | 6 699 | 32,2 | 324 | 463 | |||
Type | Slider | ||||||||
Sizes | Load capacity and moments | ||||||||
S [mm] | a [mm] | b [mm] | Number of holes | С0rad [N] | С0ax [N] | Mx [Nm] | My [Nm] | Mz [Nm] | |
LB28 | 60 | 10 | 20 | 3 | 3 480 | 2 436 | 17,1 | 24 | 35 |
80 | 4 | 4 640 | 3 248 | 22,7 | 43 | 62 | |||
130 | 25 | 80 | 2 | 7 540 | 5 278 | 36,9 | 114 | 163 | |
210 | 3 | 12 180 | 8 526 | 59,7 | 298 | 426 | |||
290 | 4 | 16 820 | 11 774 | 82,4 | 569 | 813 | |||
370 | 5 | 21 460 | 15 022 | 105,1 | 926 | 1 323 | |||
450 | 6 | 26 100 | 18 270 | 127,9 | 1 370 | 1 958 | |||
Type | Slider | ||||||||
Sizes | Load capacity and moments | ||||||||
S [mm] | a [mm] | b [mm] | Number of holes | С0rad [N] | С0ax [N] | Mx [Nm] | My [Nm] | Mz [Nm] | |
LB35 | 130 | 25 | 2 | 9 750 | 6 825 | 47,2 | 148 | 211 | |
210 | 80 | 3 | 15 750 | 11 025 | 76,3 | 386 | 551 | ||
290 | 4 | 21 750 | 15 225 | 105,3 | 736 | 1 051 | |||
370 | 5 | 27 750 | 19 425 | 134,4 | 1 198 | 1 711 | |||
450 | 6 | 33 750 | 23 625 | 163,4 | 1 772 | 2 531 | |||
530 | 7 | 39 750 | 27 825 | 192,5 | 2 458 | 3 511 | |||
610 | 8 | 45 750 | 32 025 | 221,6 | 3 256 | 4 651 | |||
Type | Slider | ||||||||
Sizes | Load capacity and moments | ||||||||
S [mm] | a [mm] | b [mm] | Number of holes | С0rad [N] | С0ax [N] | Mx [Nm] | My [Nm] | Mz [Nm] | |
LB43 | 130 | 25 | 80 | 2 | 13 910 | 9 737 | 96 | 221 | 301 |
210 | 3 | 22 470 | 15 729 | 155,1 | 551 | 786 | |||
290 | 4 | 31 030 | 21 721 | 214,1 | 1 050 | 1 500 | |||
370 | 5 | 39 590 | 27 713 | 273,2 | 1 709 | 2 441 | |||
450 | 6 | 48 150 | 33 705 | 332,3 | 2 528 | 3 611 | |||
530 | 7 | 56 710 | 39 697 | 391,4 | 3 507 | 5 009 | |||
610 | 8 | 65 270 | 45 689 | 450,4 | 4 645 | 6 636 | |||
Type | Slider | ||||||||
Sizes | Load capacity and moments | ||||||||
S [mm] | a [mm] | b [mm] | Number of holes | С0rad [N] | С0ax [N] | Mx [Nm] | My [Nm] | Mz [Nm] | |
LB63 | 130 | 25 | 80 | 2 | 26 000 | 18 200 | 238,8 | 394 | 563 |
210 | 3 | 42 000 | 29 400 | 385,8 | 1 029 | 1 470 | |||
290 | 4 | 58 000 | 40 600 | 532,8 | 1 962 | 2 803 | |||
370 | 5 | 74 000 | 51 800 | 679,8 | 3 194 | 4 563 | |||
450 | 6 | 90 000 | 63 000 | 826,7 | 4 725 | 6 750 | |||
530 | 7 | 106 000 | 74 200 | 973,7 | 6 554 | 9 363 | |||
610 | 8 | 122 000 | 85 400 | 1 120,7 | 8 682 | 12 403 | |||
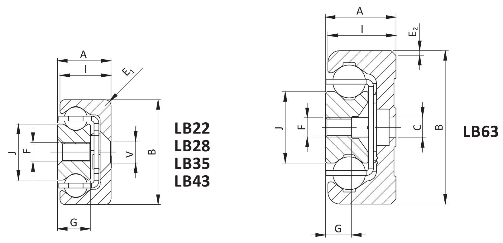
机械参数
Type | Section dimensions | Weight of guide [kg/m] | Weight of slider [kg/m] | |||||||||
A [mm] | B [mm] | I [mm] | J [mm] | G [mm] | E1 [mm] | E2 [°] | V(1) | C(2) | F | |||
LB22 | 11 | 22 | 10,25 | 11,3 | 6,5 | 3 | - | M4 | - | M4 | 0,7 | 1 |
LB28 | 13 | 28 | 12,25 | 15 | 7,5 | 1 | - | M5 | - | M5 | 1 | 1,5 |
LB35 | 17 | 35 | 16 | 15,8 | 10 | 2 | - | M6 | - | M6 | 1,8 | 2,5 |
LB43 | 22 | 43 | 21 | 23 | 13,5 | 2,5 | - | M8 | - | M8 | 2,6 | 5 |
LB63 | 29 | 63 | 28 | 29,3 | 10,5 | - | 2×45° | - | M8 | M8 | 6,1 | 6,9 |
