坚固的钢制滑块,主体表面镀锌工艺、滚轮,毛毡组件,侧面密封件,保护胶条。标准版有3至6个滚轮可供选择。
性能参数
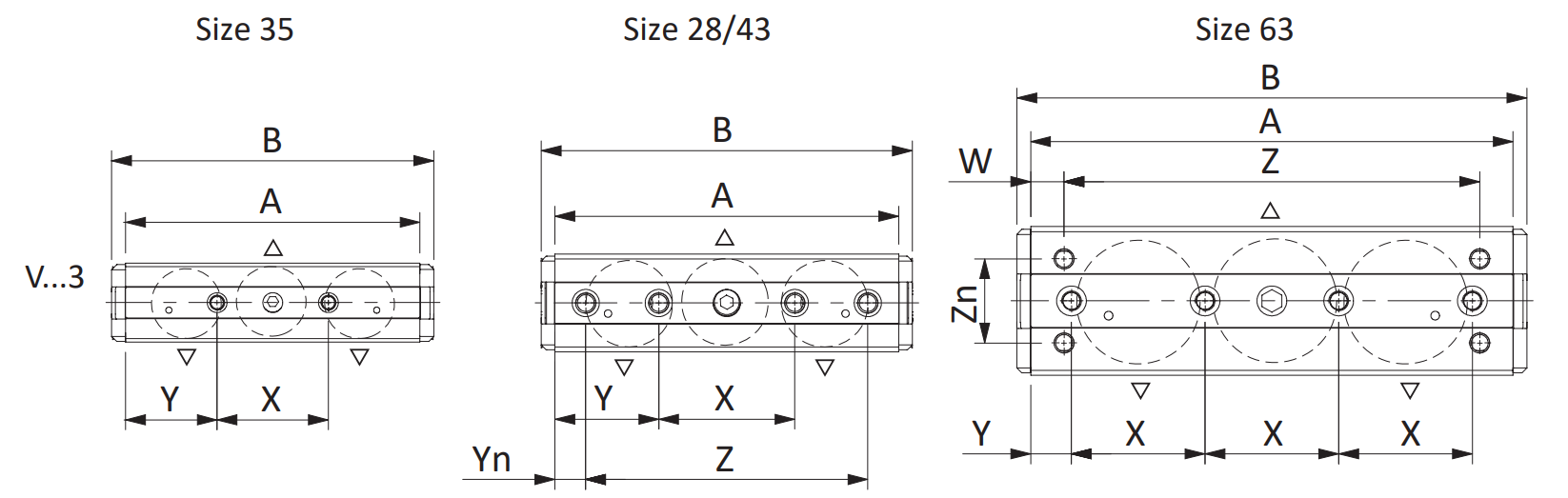
机械参数
Size | № of rollers | A [mm] | B [mm] | C [mm] | G [mm] | F [mm] | X [mm] | Y [mm] | Z [mm] | Yn [mm] | Zn [mm] | W [mm] | № of screw holes | Rollers(1) |
V28 | 3 | 97 | 108 | 24,9 | 9,7 | 50 | 35 | 31,0 | 78,0 | 9,5 | – | – | 2+2 | CPN28-2Z CPA28-2Z |
4 | 117 | 128 | 50 | 33,5 | – | – | 2 | |||||||
5 | 142 | 153 | 25 | 33,5 | 4 | |||||||||
6 | 167 | 178 | 50 | 33,5 | 3 | |||||||||
V35 | 3 | 119 | 130 | 32,0 | 11,9 | M6 | 45 | 37,0 | – | – | – | – | 2 | CPN35-2Z CPA35-2Z |
4 | 139 | 150 | 60 | 39,5 | 2 | |||||||||
5 | 169 | 180 | 30 | 39,5 | 4 | |||||||||
6 | 199 | 210 | 60 | 39,5 | 3 | |||||||||
V43 | 3 | 139 | 150 | 39,5 | 14,5(2) | M8 | 55 | 42,0 | 114 | 12,5 | – | – | 2+2 | CPN43-2Z CPA43-2Z CPNF43-2Z CPAF43-2Z |
4 | 174 | 185 | 80 | 47,0 | – | – | 2 | |||||||
5 | 210 | 221 | 40 | 45,0 | 4 | |||||||||
6 | 249 | 260 | 80 | 44,5 | 3 | |||||||||
V63 | 3 | 195 | 206 | 60,0 | 20,2 | M8 | 54 | 16,5 | 168 | – | 34 | 13,5 | 4+4 | CPN63-2Z CPA63-2Z |
4 | 250 | 261 | 54 | 17,0 | – | – | – | 5 | ||||||
5 | 305 | 316 | 54 | 17,5 | 6 | |||||||||
6 | 360 | 371 | 54 | 18,0 | 7 |
