完全伸展的伸缩导轨,中间有实心元素。两个标准安装孔型可用。
性能参数
Size | L [mm] | Н [mm] | С0rad(1)[N] | m [mm] | n [mm] | Number of holes |
TLXB30 | 250 | 285 | 404 | 25 | 100 | 3 |
300 | 323 | 1 008 | 50 | |||
350 | 377 | 1 042 | 25 | 4 | ||
400 | 416 | 1 136 | 50 | |||
450 | 485 | 1 164 | 25 | 5 | ||
500 | 523 | 1 470 | 50 | |||
550 | 577 | 1 464 | 25 | 6 | ||
600 | 615 | 1 402 | 50 | |||
650 | 685 | 1 230 | 25 | 7 | ||
700 | 723 | 1 186 | 50 | |||
750 | 777 | 1 100 | 25 | 8 | ||
800 | 815 | 1 066 | 50 | |||
850 | 884 | 962 | 25 | 9 | ||
900 | 923 | 936 | 50 | |||
950 | 977 | 882 | 25 | 10 | ||
1 000 | 1 015 | 858 | 50 | |||
1 050 | 1 123 | 792 | 25 | 11 | ||
1 100 | 1 176 | 772 | 50 | |||
1 150 | 1 215 | 736 | 25 | 12 | ||
1 200 | 1 084 | 720 | 50 |
Size | L [mm] | Н [mm] | С0rad(1)[N] | m [mm] | n [mm] | Number of holes |
TLXB45 | 250 | 276 | 2 610 | 25 | 100 | 3 |
300 | 310 | 2 824 | 50 | |||
350 | 388 | 2 820 | 25 | 4 | ||
400 | 422 | 2 842 | 50 | |||
450 | 478 | 2 864 | 25 | 5 | ||
500 | 512 | 2 900 | 50 | |||
550 | 590 | 2 764 | 25 | 6 | ||
600 | 624 | 3 032 | 50 | |||
650 | 680 | 3 252 | 25 | 7 | ||
700 | 714 | 3 346 | 50 | |||
750 | 770 | 3 084 | 25 | 8 | ||
800 | 826 | 2 860 | 50 | |||
850 | 882 | 2 666 | 25 | 9 | ||
900 | 916 | 2 614 | 50 | |||
950 | 972 | 2 450 | 25 | 10 | ||
1 000 | 1 028 | 2 306 | 50 | |||
1 050 | 1 084 | 2 178 | 25 | 11 | ||
1 100 | 1 118 | 2 144 | 50 | |||
1 150 | 1 174 | 2 034 | 25 | 12 | ||
1 200 | 1 230 | 1 934 | 50 | |||
1 250 | 1 286 | 1 842 | 25 | 13 | ||
1 300 | 1 320 | 1 818 | 50 | |||
1 350 | 1 376 | 1 738 | 25 | 14 | ||
1 400 | 1 410 | 1 716 | 50 | |||
1 450 | 1 488 | 1 596 | 25 | 15 | ||
1 500 | 1 522 | 1 578 | 50 |
Size | L [mm] | Н [mm] | С0rad(1) [N] | Y [mm] | m [mm] | n [mm] | E [mm] | C [mm] | Number of holes |
TLXB60 | 400 | 400 | 5 250 | 50 | 50 | - | - | 200 | 8 |
450 | 450 | 5 350 | - | - | 250 | ||||
500 | 500 | 5 400 | - | - | 300 | ||||
550 | 550 | 5 500 | 150 | 50 | - | 12 | |||
600 | 600 | 5 400 | 175 | ||||||
650 | 650 | 5 350 | 200 | ||||||
700 | 700 | 5 250 | 225 | ||||||
750 | 750 | 5 100 | 250 | ||||||
800 | 800 | 4 900 | 275 | ||||||
850 | 850 | 4 700 | 300 | ||||||
900 | 900 | 4 500 | 325 | ||||||
950 | 950 | 4 300 | 350 | ||||||
1 000 | 1 000 | 4 050 | 375 | ||||||
1 100 | 1 100 | 3 700 | 425 | ||||||
1 200 | 1 200 | 3 300 | 475 | ||||||
1 300 | 1 300 | 2 900 | 525 | ||||||
1 400 | 1 400 | 2 500 | 575 | ||||||
1 500 | 1 500 | 2 100 | 625 |
Size | L [mm] | Н [mm] | С0rad(1) [N] | Y [mm] | m [mm] | n [mm] | E [mm] | C [mm] | Number of holes |
TLXB80 | 500 | 500 | 9 000 | 100 | 100 | - | - | 100 | 8 |
550 | 550 | 9 250 | 150 | ||||||
600 | 600 | 9 350 | 200 | ||||||
650 | 650 | 9 200 | 250 | ||||||
700 | 700 | 9 050 | 300 | ||||||
750 | 750 | 8 800 | 350 | ||||||
800 | 800 | 8 600 | 400 | ||||||
850 | 850 | 8 350 | 450 | ||||||
900 | 900 | 8 100 | 500 | ||||||
950 | 950 | 7 850 | 100 | 550 | |||||
1 000 | 1 000 | 7 550 | 600 | ||||||
1 100 | 1 100 | 7 150 | 300 | - | 12 | ||||
1 200 | 1 200 | 6 700 | 350 | ||||||
1 300 | 1 300 | 6 200 | 400 | ||||||
1 400 | 1 400 | 5 700 | 450 | ||||||
1 500 | 1 500 | 5 200 | 500 | ||||||
1 600 | 1 600 | 4 600 | 550 | ||||||
1 700 | 1 700 | 4 100 | 600 | ||||||
1 800 | 1 800 | 3 600 | 650 | ||||||
1 900 | 1 900 | 3 000 | 700 | ||||||
2 000 | 2 000 | 2 500 | 750 |
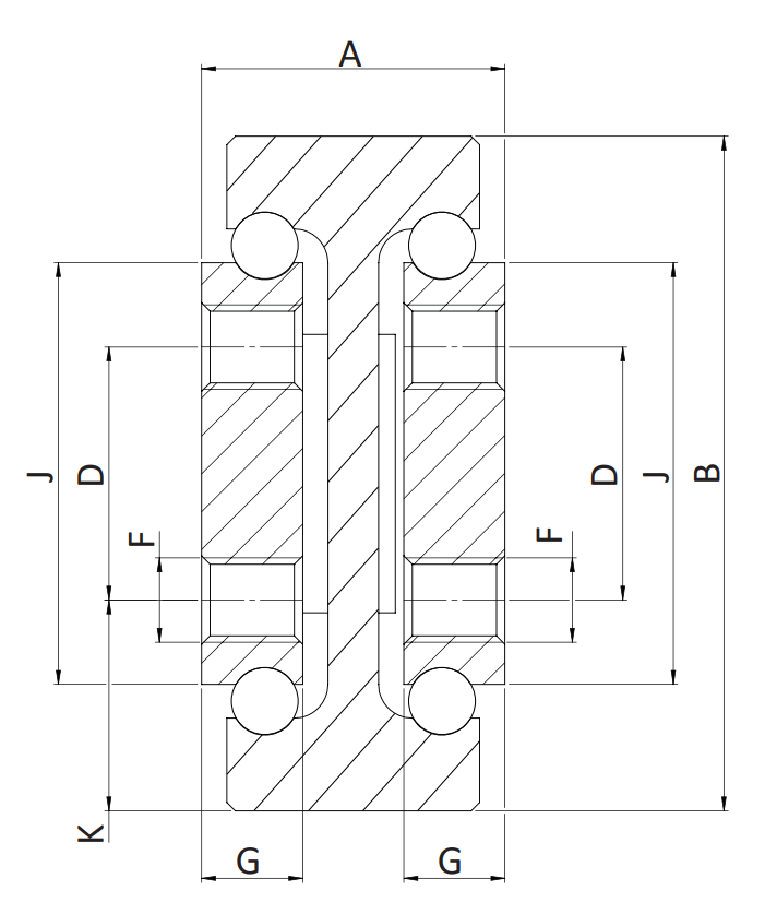
机械参数
Type | A [mm] | B [mm] | J [mm] | G [mm] | K [mm] | F (1) | Weight [kg/m] |
TLXB30 TLXB30 V2 | 20 | 30 | 16,2 | 5,0 | 15,0 | M6 | 3,5 |
TLXB45 TLXB45 V2 | 26 | 45 | 25,5 | 6,1 | 22,5 | M8 | 6,0 |
Size | A [mm] | B [mm] | J [mm] | G [mm] | K [mm] | D [mm] | F(1) | Weight [kg/m] |
TLXB60 | 32 | 60 | 40 | 10 | 19 | 22 | M6 | 11,70 |
TLXB80 | 36 | 80 | 50 | 12 | 25 | 30 | M10 | 17,50 |

TLXB60 80
