部分延长导轨,折叠位置长度的50%。由C型导轨,滑块和滚珠保持架组成。其特点是紧凑性和刚性。该导轨在所有PUSH PULL伸缩系列中具有最高的负载能力。
性能参数
Size | L [mm] | Н [mm] | С0rad(1) [N] | С0ax(1) [N] | Mx(2) [Nm] | My(1) [Nm] | Mz(1) [Nm] | Number of holes |
TB22 | 130 | 76 | 626 | 438 | 5,7 | 20 | 30 | 2 |
210 | 111 | 1 430 | 1 002 | 10,7 | 72 | 102 | 3 | |
290 | 154 | 1 988 | 1 392 | 14,9 | 138 | 198 | 4 | |
370 | 196 | 2 556 | 1 790 | 19 | 226 | 324 | 5 | |
450 | 231 | 3 402 | 2 380 | 24 | 360 | 516 | 6 | |
530 | 274 | 3 958 | 2 770 | 28,2 | 496 | 710 | 7 | |
610 | 316 | 4 524 | 3 168 | 32,3 | 654 | 934 | 8 | |
690 | 351 | 5 378 | 3 764 | 37,3 | 872 | 1 246 | 9 | |
770 | 394 | 5 934 | 4 154 | 41,5 | 1 078 | 1 538 | 10 |
Size | L [mm] | Н [mm] | С0rad(1) [N] | С0ax(1) [N] | Mx(2) [Nm] | My(1) [Nm] | Mz(1) [Nm] | Number of holes |
TB28 | 130 | 74 | 1 226 | 858 | 15,3 | 40 | 56 | 2 |
210 | 116 | 2 232 | 1 562 | 26,1 | 114 | 164 | 3 | |
290 | 148 | 3 868 | 2 708 | 39,6 | 264 | 376 | 4 | |
370 | 190 | 4 890 | 3 422 | 50,4 | 426 | 610 | 5 | |
450 | 232 | 5 910 | 4 138 | 61,2 | 628 | 898 | 6 | |
530 | 274 | 6 932 | 4 852 | 72 | 870 | 1 242 | 7 | |
610 | 316 | 7 952 | 5 566 | 82,8 | 1 150 | 1 642 | 8 | |
690 | 358 | 8 974 | 6 282 | 93,6 | 1 470 | 2 100 | 9 | |
770 | 400 | 9 994 | 6 996 | 104,4 | 1 828 | 2 612 | 10 | |
850 | 433 | 11 656 | 8 160 | 117,9 | 2 330 | 3 330 | 11 | |
930 | 475 | 12 676 | 8 872 | 128,7 | 2 778 | 3 968 | 12 | |
1 010 | 517 | 13 696 | 9 586 | 139,5 | 3 262 | 4 660 | 13 | |
1 090 | 559 | 14 716 | 10 300 | 150,3 | 3 788 | 5 410 | 14 | |
1 170 | 601 | 15 736 | 11 014 | 161,1 | 4 350 | 6 216 | 15 |
Size | L [mm] | Н [mm] | С0rad (1) [N] | С0ax (1) [N] | Mx(2) [Nm] | My(1) [Nm] | Mz (1) [Nm] | Number of holes |
TB35 | 210 | 127 | 2 130 | 1 492 | 29,4 | 114 | 164 | 3 |
290 | 159 | 4 120 | 2 884 | 46,9 | 292 | 416 | 4 | |
370 | 203 | 5 276 | 3 694 | 59,9 | 476 | 680 | 5 | |
450 | 247 | 6 434 | 4 504 | 73 | 708 | 1 010 | 6 | |
530 | 279 | 8 564 | 5 994 | 90,4 | 1 086 | 1 550 | 7 | |
610 | 323 | 9 716 | 6 802 | 103,5 | 1 422 | 2 030 | 8 | |
690 | 367 | 10 870 | 7 608 | 116,6 | 1 804 | 2 576 | 9 | |
770 | 399 | 13 042 | 9 130 | 134 | 2 382 | 3 404 | 10 | |
850 | 443 | 14 190 | 9 932 | 147,1 | 2 870 | 4 100 | 11 | |
930 | 487 | 15 338 | 10 736 | 160,2 | 3 404 | 4 862 | 12 | |
1 010 | 519 | 17 530 | 12 272 | 177,6 | 4 184 | 5 978 | 13 | |
1 090 | 563 | 18 674 | 13 072 | 190,7 | 4 824 | 6 890 | 14 | |
1 170 | 607 | 19 818 | 13 874 | 203,8 | 5 508 | 7 868 | 15 | |
1 250 | 639 | 22 024 | 15 416 | 221,2 | 6 490 | 9 272 | 16 | |
1 330 | 683 | 23 164 | 16 214 | 234,3 | 7 280 | 10 400 | 17 | |
1 410 | 727 | 24 306 | 17 014 | 247,4 | 8 116 | 11 594 | 18 | |
1 490 | 759 | 26 520 | 18 564 | 264,8 | 9 300 | 13 286 | 19 |
Size | L [mm] | Н [mm] | С0rad (1) [N] | С0ax (1) [N] | Mx(2) [Nm] | My(1) [Nm] | Mz (1) [Nm] | Number of holes |
TB43 | 210 | 123 | 3 190 | 2 234 | 60,6 | 168 | 240 | 3 |
290 | 158 | 5 744 | 4 020 | 93,8 | 402 | 576 | 4 | |
370 | 208 | 6 754 | 4 728 | 115,9 | 616 | 880 | 5 | |
450 | 243 | 9 380 | 6 566 | 149,2 | 1 018 | 1 456 | 6 | |
530 | 278 | 12 078 | 8 454 | 182,4 | 1 524 | 2 176 | 7 | |
610 | 313 | 14 822 | 10 376 | 215,6 | 2 128 | 3 042 | 8 | |
690 | 363 | 15 726 | 11 008 | 237,8 | 2 588 | 3 698 | 9 | |
770 | 398 | 18 464 | 12 926 | 271 | 3 362 | 4 804 | 10 | |
850 | 433 | 21 230 | 14 862 | 304,2 | 4 238 | 6 054 | 11 | |
930 | 483 | 22 108 | 15 476 | 326,4 | 4 878 | 6 968 | 12 | |
1 010 | 518 | 24 868 | 17 408 | 359,6 | 5 922 | 8 460 | 13 | |
1 090 | 568 | 25 754 | 18 028 | 381,8 | 6 674 | 9 534 | 14 | |
1 170 | 603 | 28 508 | 19 956 | 415 | 7 886 | 11 266 | 15 | |
1 250 | 638 | 31 276 | 21 894 | 448,2 | 9 198 | 13 142 | 16 | |
1 330 | 688 | 32 150 | 22 504 | 470,4 | 10 130 | 14 472 | 17 | |
1 410 | 723 | 34 912 | 24 438 | 503,6 | 11 612 | 16 590 | 18 | |
1 490 | 758 | 37 690 | 26 382 | 536,8 | 13 196 | 18 850 | 19 | |
1 570 | 793 | 40 476 | 28 334 | 570,1 | 14 880 | 21 256 | 20 | |
1 650 | 843 | 41 322 | 28 926 | 592,2 | 16 058 | 22 940 | 21 | |
1 730 | 878 | 44 104 | 30 872 | 625,5 | 17 912 | 25 588 | 22 | |
1 810 | 928 | 44 958 | 31 472 | 647,6 | 19 202 | 27 432 | 23 | |
1 890 | 963 | 47 734 | 33 414 | 680,8 | 21 224 | 30 320 | 24 | |
1 970 | 1 013 | 48 596 | 34 018 | 703 | 22 628 | 32 324 | 25 |
Size | L [mm] | Н [mm] | С0rad (1) [N] | С0ax (1) [N] | Mx(2) [Nm] | My(1) [Nm] | Mz (1) [Nm] | Number of holes |
TB63 | 610 | 333 | 21 182 | 14 828 | 474 | 3 106 | 4 438 | 8 |
690 | 373 | 25 068 | 17 548 | 547.5 | 4 144 | 5 920 | 9 | |
770 | 413 | 28 978 | 20 284 | 621 | 5 332 | 7 616 | 10 | |
850 | 453 | 32 904 | 23 032 | 694,5 | 6 668 | 9 526 | 11 | |
930 | 493 | 36 842 | 25 790 | 768 | 8 154 | 11 648 | 12 | |
1 010 | 533 | 40 790 | 28 554 | 841,4 | 9 788 | 13 984 | 13 | |
1 090 | 573 | 44 746 | 31 322 | 914,9 | 11 574 | 16 534 | 14 | |
1 170 | 613 | 48 708 | 34 096 | 988,4 | 13 508 | 19 296 | 15 | |
1 250 | 653 | 52 674 | 36 872 | 1 061,9 | 15 590 | 22 272 | 16 | |
1 330 | 693 | 56 644 | 39 650 | 1 135,4 | 17 824 | 25 462 | 17 | |
1 410 | 733 | 60 618 | 42 432 | 1 208,9 | 20 204 | 28 864 | 18 | |
1 490 | 773 | 64 594 | 45 216 | 1 282,4 | 22 736 | 32 480 | 19 | |
1 570 | 813 | 68 574 | 48 002 | 1 355,9 | 25 416 | 36 310 | 20 | |
1 650 | 853 | 72 554 | 50 788 | 1 429,4 | 28 246 | 40 352 | 21 | |
1 730 | 893 | 76 536 | 53 576 | 1 502,8 | 31 226 | 44 608 | 22 | |
1 810 | 933 | 80 522 | 56 364 | 1 576,3 | 34 354 | 49 078 | 23 | |
1 890 | 973 | 84 506 | 59 154 | 1 649,8 | 37 632 | 53 760 | 24 | |
1 970 | 1 013 | 88 494 | 61 946 | 1 723,3 | 41 060 | 58 656 | 25 |
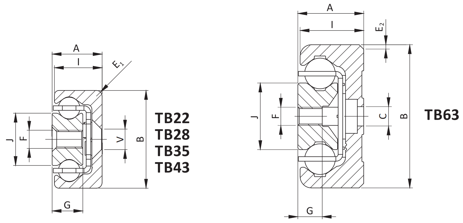
机械参数
Size | А [mm] | В [mm] | I [mm] | J [mm] | G [mm] | E1 [mm] | E2 [°] | V(1) | C(2) | F | Weight [kg/m] |
TB22 | 11 | 22 | 10,25 | 11,3 | 6,5 | 3 | - | M4 | - | M4 | 1,32 |
TB28 | 13 | 28 | 12,25 | 15 | 7,5 | 1 | - | M5 | - | M5 | 2,02 |
TB35 | 17 | 35 | 16 | 15,8 | 10 | 2 | - | M6 | - | M6 | 3,05 |
TB43 | 22 | 43 | 21 | 23 | 13,5 | 2,5 | - | M8 | - | M8 | 5,25 |
TB63 | 29 | 63 | 28 | 29,3 | 10,5 | - | 2X45 | - | M8 | M8 | 10,3 |
